マガジン式基板NGストッカー ENG11MC
特徴
検査機の検査結果によって、OK基板、NG基板の振り分けを行う。
- 高速性
マガジン交換時間 約18sec
※Mサイズ - 供給装置及び収納装置でも対応可能
- 自動段替え対応可能
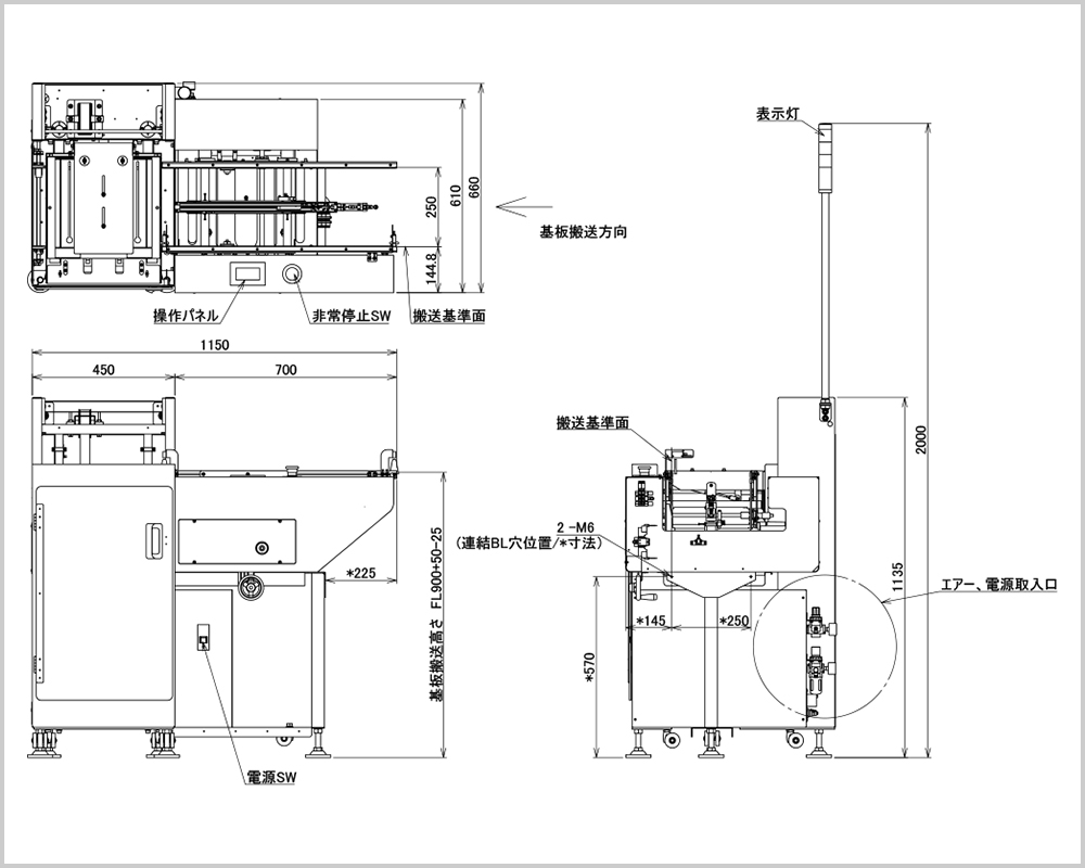
| 基板搬送方向 | 右→左(左→右) |
|---|---|
| 基板搬送基準 | 手前側(奥側) |
| 基板搬送高さ | 900+50-25(mm) |
| 対応基板寸法 | W50~250mm*L50~330mm |
| 基板厚み | 0.5~2.0mm |
| 供給ピッチ | 1~4段 |
| 搭載マガジン | エレベーターのみ or 上段1個・下段1個 or 上段2個・下段2個 |
| 電源 | AC100V |
| エアー | 0.5MPa |
※XLサイズも対応可能
※仕様及び外観の一部を改良の為、予告なく変更することがありますのでご了承ください。

